게이트 드라이버는 스위치의 턴온과 턴오프를 훌륭하게 해내기 위해서 매우 중요하다.
턴온될 때는 드레인과 소스 또는 콜렉터와 이미터 양단 전압이 빠르게 내려가서 0V에 가깝게 내려가야 하고,
턴오프될 때는 양단 전압이 최대한 빠르게 상승해야 한다.
그래야지만, 스위칭 손실이 최소화되고, 전력전자 장치에서 발생되는 전압, 전류에 고조파 성분도 줄어든다.
물론 우리가 의도한 정확한 동작을 보장하는데도 중요하다.
하지만 게이트 드라이버 회로를 처음 설계한다면, 굉장히 골치아프다. 그 이유는 몇가지가 있는데,
밀러 효과 때문에 스위치가 일종의 증폭기로 동작해서, 스위치 내부에 존재하는 기생 캐패시턴스에 의한 임피던스도
증폭된다. 이 임피던스의 증폭이 게이트 드라이버가 '스위치의 게이트와 소스 사이에 전류를 주입해서', '게이트 소스 사이에 전압을 만들고', '드레인과 소스 사이에 전류 통로를 만들어' 주는 것을 느리게 만든다.
밀러효과에 대한 설명: m.blog.naver.com/wooseung83/70025256488
그렇기 때문에 충분히 높은 턴온 전압과 턴오프 전압을 게이트와 소스 사이에 공급해줘야 하는데,
나는 보통 스위치의 용량(전압*전류)가 150W 이내일때는 턴온으로 12V, 턴오프로 -5V를 주고,
그 이상이면 보통 15V, -7V를 준다. 세미크론에서 나오는 SKM IGBT 모델들과 SKHI 게이트 드라이버 모듈들도
그 전압레벨을 사용한다. 그리고 그 정도 되면 동작이 확실하다.
하지만 게이트 드라이버 모듈은 편리하지만 비싸다.
그리고 가끔 과전류, 과전압 보호를 위한 부가기능이 너무 민감하게 작동해서 편리하지 않을 때도 있다.
SKHI 22A R이 총판에서 사도 5개 이내 단위로 사면 개당 75000원 정도....
IGBT 한개 브릿지(상 한개) 모듈이 2만원 중반인걸 생각해보면, 배보다 배꼽이 더 큰격이다.
그래서 실험용으로 적당한 게이트 드라이버 회로를 소개한다.

TLP250으로 만든다. 스위치 하나용이다.
TLP250은 도시바에서 나오는 옵토커플러(Optocoupler)다.
내부에 입력측에 LED 발광부와 출력측에 수광부가 있어서, 직접적인 전기적 연결이 없이 듀티비 정보를 전달해줄 수 있다.

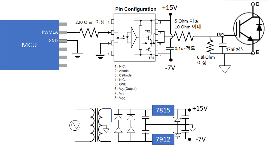
핀배치는 이렇다. 1번이랑 4번은 N.C(No connection)이라서 연결할 필요가 없다.
2번과 3번이 입력측이고, 5678번 핀이 출력측인데, 6번과 7번은 순간적으로는 꽤 큰 전류가 흐르기도 하니 푸시풀 출력을 2개의 핀으로 나눠 놓았다. 8번에는 턴온전압을 연결하고, 5번에는 턴오프 전압을 연결해주면 된다. 이때, 턴온전압과 턴오프 전압은 전기적 Isolation이 된 전압이어야 한다.
그래서 3.3V 레벨의 PWM 신호를 출력하는 MCU나 DSP를 사용한다는 가정하에 예시 회로를 보자.

왼쪽의 MCU에서부터 차근히 설명해나가자면,
MCU 쪽 회로와 TLP250의 입력쪽까지는 같은 GND를 공유하고, TLP250의 오른쪽 출력부 부터는 파워측 GND를 사용한다. 그래서 GND 표시를 2개를 사용한 것이다. 즉, TLP250을 기준으로 왼쪽과 오른쪽은 전기적인 접점을 전혀가지고 있지 않다. 그리고 TLP250의 입력측에 220옴 이상의 저항을 연결했는데, TLP250의 정격 입력전류가 10mA정도이기 때문이다. 3.3V-1.0V(LED 전압강하) = 2.3V 이니, 220옴 정도를 넣으면 10mA정도가 된다. 그리고 보통 MCU의 GPIO 출력 전류도 20mA정도 이내가 권장된다.
그리고 출력측에는 게이트 저항이라고 보통 부르는 저항이 하나가 IGBT의 게이트와 TLP250의 출력 사이에 놓여져 있다.
굳이 이 저항을 넣는 이유는 게이트로 향하는 전류가 과해서 IGBT의 게이트 쪽에 과열이 발생할까봐 그렇다. 보통 5옴 이상에서 10옴이내로 사용하는게 좋고, 이 선의 길이는 가급적 짧게 하는 것을 권장한다. Stray inductance (도선에서 발생하는 기생인덕턴스) 때문이다. 선의 길이가 길어질수록 인덕턴스가 늘어나고, 게이트에 흐를 전류의 급상승이 제한되게 되버리기 때문이다. 최대한 짧은 시간안에 전하를 게이트에 충전시켜서 턴온을 해야하는데, 방해물은 가급적 없애야 한다.
그리고 출력의 턴온전압과 턴오프 전압 사이에 캐패시터를 하나 추가하였는데, 있는 것이 좋다. 0.1uF이나, 1uF 정도를 추천한다. 없으면 출력 신호에 오버슈트가 꽤 발생한다.
그리고 개인적으로는 게이트와 소스(이미터) 사이에도 47nF 정도는 캐패시터를 달아주고 6.8k옴 이상의 저항도 병렬로 달아주는 것을 권장한다. 추가적으로 오버슈트를 잡아주기도 하고, TLP250의 출력파형 특히 듀티비가 약간 왜곡되는(감소하는) 경향이 있는데, RC병렬회로를 게이트-소스(이미터) 사이에 넣어주면 MCU에서 발생시킨 PWM듀티비와 거의 동일해진다.
턴온 전압과 턴오프 전압은 채널별로 Isolation 되어있는 DC 파워서플라이를 사용해도 되고, 아래 회로처럼 변압기에서 220Vrms 받아다가 30V정도로 강압해서 전압 레귤레이터와 함께 사용해도 된다. 이때, 전압레귤레이터는 출력 전류가 2A정도 되는 걸로 사용하는게 좋다.
'전기공학' 카테고리의 다른 글
| dq축 인덕턴스 구하는 법 (10) | 2021.01.09 |
|---|---|
| 매입형 영구자석 동기전동기(IPMSM)의 d, q축 자기회로 (2) | 2021.01.08 |
| 모터의 극 수에 따른 장점과 단점. (0) | 2020.12.25 |
| 모터는 3상이 끝일까? 다상 모터의 장단점들 (8) | 2020.11.19 |
| DQ변환은 두번 이루어진다. Park변환 편 (5) | 2020.11.14 |