이 포스팅은 연구, 개발을 하시는 대학원생, 현업자분들께 도움이 되길 바라며 썼습니다.
비전공자분들이나 학부생분들은 다소 이해가 어려울 수 있습니다. 그래도 최대한 쉽게 써보겠습니다.
우리가 알기로 보통 교류 전력으로 회전하는 모터들은 단상과 3상으로 두 종류가 있다. 하지만 그것이 전부는 아니다.
3상보다 더 많은 상을 사용할 수 있다. 반대로 스텝모터는 2상으로 동작하기도 한다. 2상 모터? 그게 가능하냐고? 잘 생각해보면, 단상 모터도 기동할 때 기동권선을 사용하고 기동이 완료된 후에는 기동권선을 스위치로 차단하고 운전권선(주권선)만으로 회전을 유지한다. 즉, 일종의 2상 모터인 셈이다.
그러면 3상보다 더 많은 상을 사용하는 다상 모터는 보통 몇개의 상을 사용할까? 제법 많은 연구가 이뤄지고 시도된 상 수는 5상이다. 3상을 2개로 사용한 6상도 사용되고, 용량이 굉장히 큰 선박의 추진용 모터로는 12상도 사용된다.

위 그래프는 IEEExplore를 통해서 조사한 최근 논문 게재의 추이이다. 최근에는 전기자동차와 철도에 쓰일 추진용 모터의 연구개발이 활발하게 이뤄지고 있기 때문에, 5상과 6상 모터의 제어와 설계에 대한 논문 수가 꾸준히 늘고 있다. 특히, 좀 더 높은 안정성을 보장하는 6상 모터의 연구가 2018년과 2019년 사이에 급격히 늘어났다.
이번 포스팅에서는 상이 늘어나면 이론적으로는 어떤 변화가 생기고 장단점은 무엇인지 살펴보자.
1. 권선계수가 커진다.

정확히는 권선계수 중에서 분포계수가 향상된다. 더 정확히는 동일한 극과 슬롯 조합에서 상수가 늘어나면 분포계수가 적어도 같거나 보통은 더 증가한다. 만약에 동일한 극과 슬롯수를 가진 3상 모터와 6상 모터가 있다면, 한 상을 이루는 코일의 수는 6상 모터가 3상 모터의 1/2배가 되기 때문이다. 이해가 잘 안될 수도 있다. 천천히 설명하기 위해서 예를 들자면, 10극 12슬롯의 모터에는 12개의 코일이 들어간다. 만약 이 모터가 3상이라면 한 상당 4개의 코일로 이루어지고, 6상이라면 1상당 2개의 코일로 이루어진다. 각 상이 똑같이 코일을 나눠가지게 된다.

그런데 말입니다. 분포 계수라는 것은 권선이 분포되서, 그러니까 서로 멀리 떨어져서 배치되면서 낮아지는 효율을 의미한다. 마치 벡터들끼리 더하면 방향이 같을수록 온전히 더해지는 것과 같다. 3상은 4개나 코일이 360도에 배치되면서 더 많이 분포 되지만 6상은 360도에 코일이 2개만 분포되게 된다.

2. 토크 맥동을 일으키는 고조파가 감소한다.

토크 맥동은 일정한 전류를 주어도 모터의 구조상 발생하는 토크의 교류성분이다. 위의 그래프를 보면 6상 모터는 토크의 변동이 적어서 거의 일정하지만, 3상은 토크가 들쭉날쭉하면서 나타난다. 토크가 들쭉날쭉 한다는 것은 회전속도의 가속이 들쭉날쭉 한다는 뜻이다. 즉, 속도가 계속 변동된다. 그러면 당연히 모터로 회전시키는 기계에도 무리가 가고 소음도 유발된다.
토크 맥동은 5, 7, 11, 13차 등의 공간 고조파(공극에 분포된 기자력들의 고조파)들이 만들어낸다. 그런데 이러한 고조파들은 상이 늘어날 수록 낮은 차수부터 점점 상쇄된다. 낮은 차수의 고조파일 수록 일반적으로 그 크기가 더 크기 때문에, 토크 맥동을 더 많이 만들어낸다. 그래서 보통 6상 정도만 되어도 이미 많은 고조파가 상쇄되어서 토크 맥동이 매우 준수해진다.
상 수m 에 따라서 토크 맥동을 만들어내는 고조파의 차수가 달라지는데, 2*k*m+-1(k=1, 2, 3, 4, ...이고 m은 상 수)로 구할 수 있다. 그러니 앞서 말한 5, 7, 11, 13차의 고조파가 토크 맥동을 만들어내는 것은 3상에서의 이야기이다. 만약 5상이 되면 9, 11, 19, 21차의 공간 고조파가 토크 맥동을 만들어낸다. 6상이라면 11, 13, 23, 25차 공간고조파가 토크 맥동을 만들어낸다.
하지만 토크 맥동의 주파수가 늘어난다는 단점이 있다. 위 그래프를 자세히 보면 3상은 6번 사이클의 파형으로 나타나는데, 6상은 12번의 사이클이 나타난다. 토크 맥동의 주파수가 2배가 되어서, 이걸 보상해서 토크를 일정하게 출력해주려면 전류 제어기의 대역폭이 크게 늘어나야 한다. 하지만 보통 전류제어기의 대역폭은 기계시스템보다 무지하게 넓어서 어지간한 고속 속도제어가 아니면 큰 문제는 없다. 이 부분은 이해가 안된다면 다음 포스팅에서 토크 맥동과 제어기의 관계에 대해서 소개하겠습니다.
3. 같은 용량에서 상전류가 줄어든다.

3kW급 3상 모터와 6상 모터는 상전류가 2배 차이난다. 왜 그럴까? 간단하다. 3상은 하나의 상당 1kW씩 전력을 공급한다. 반면에 6상 모터는 하나의 상당 500W씩 전력을 공급한다. 그러면 전력은 전압 곱하기 전류인데, 전압과 전류 중 무엇이 줄어드는거지? 보통은 전류를 1/2로 줄인다. 왜 전압은 안 줄이냐면, 회로상으로는 3상에서 6상으로 변하면 병렬회로가 2배로 늘어나는 것이기 때문이다.
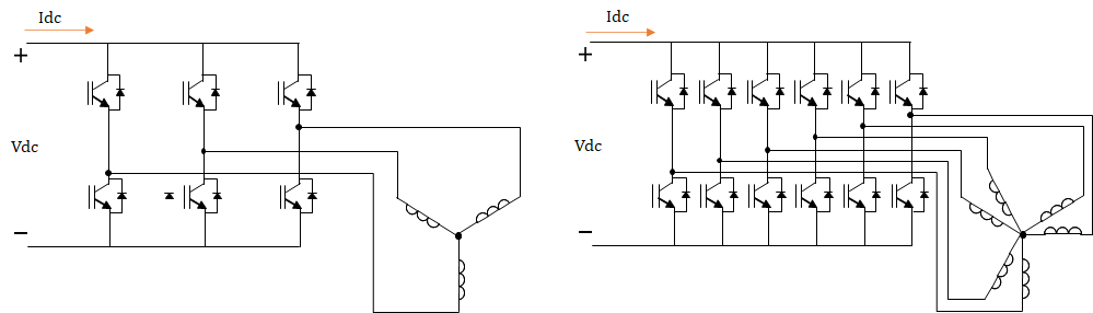
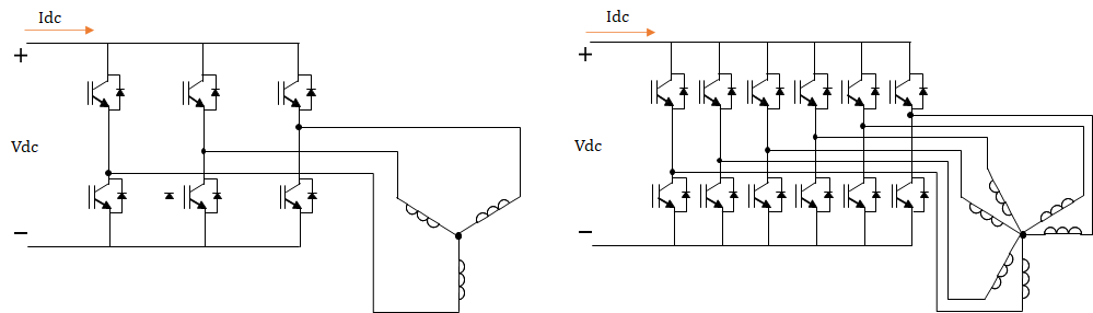
위 회로도를 보자. 왼쪽이 3상이고 오른쪽이 6상의 경우다. 인버터의 다리(Leg)가 2배로 늘었다. 즉 병렬로 연결된 브랜치가 2배가 되었음을 알 수 있다. 전체 소모되는 전력이 3상과 6상이 동일하게 3kW라면 입력에서 들어가는 전력도 3kW일 것이다(효율은 100%라고 치자). 그러면 Vdc와 Idc의 곱이 3kW일 것이고 오른쪽 6상의 Idc는 6개의 다리로 나눠져 들어간다. 3상에서는 3개의 다리로 나눠져 들어갔는데 말이다. 즉 2배로 더 많이 전류를 쪼개서 가져간다는 뜻이다.
그래서 전압은 보통 그대로이고, 상전류가 1/2로 줄어든다. 물론 3상과 5상은 3/5만큼의 차이가 될것이다. 당연히 인버터의 스위치 소자도 요구 전류가 1/2로 줄어든다. 대신에 필요한 갯수가 늘어난다.
4. 고장이 나도 계속 운전이 가능함

보통 3상 모터는 한창 돌고 있는 와중에 한 상에서 쇼트, 합선이 나거나 전선이 끊기거나 해서 고장이 나면 더이상 토크를 만들어내지 못하고 멈춘다. 하지만 5상 이상에서는 한 상에서 고장이 나더라도 나머지 4상으로 어떻게든 돌릴 수는 있다. 단지, 공간적으로 발생되는 자기장의 간격이 불평형해지니 토크 맥동이 엄청나게 커지게 된다. 오른쪽 그래프는 6상에서의 구동하는 상 수에 따른 토크 곡선이다. 1상이 고장난 5상 운전과 2상이 고장난 4상 운전은 토크 맥동이 엄청 커진다.
그런데, 6상은 2개의 3상 권선으로 이루어져있다. 그러니 만약에 어느 한상이 고장나면, 그 상을 포함하는 3상 권선 세트를 통째로 차단해버리고 나머지 평형 3상으로 구동하면 그래프처럼 토크 맥동이 적은 3상 구동이 가능하다. 당연히 최대 출력은 절반으로 줄테지만..... 그래도 전기차나 도시철도처럼 고장나면 다른 차량들의 운행에도 영향을 주는 곳에서는 일단은 계속 운전해서 휴게소나 역 등의 정비할 수 있는 곳으로 갈 수 있다는 점이 큰 장점이 될 수도 있겠다.
5. 인버터 제어에서 선형변조영역이 늘어난다.

공간벡터 변조법(Space Vector PWM: SVPWM)을 아신다는 가정하에 설명을 드리겠습니다. 왼쪽의 3상 인버터의 공간벡터도는 6각형이지만, 오른쪽의 6상 인버터의 공간벡터도는 12각형입니다. 간단히만 봐도 내접원이 더 커지게 되고 따라서 선형변조영역이 더 넓어지게 됩니다.
정확히 선형변조영역의 확장으로 기본파 전압 출력크기가 다소 증가되었는데, 6상 인버터 제어 펌웨어를 만든지가 좀 되어서 몇%였는지 정확한 값은 기억이 가물가물합니다. 공간벡터의 종류가 늘어나면서 인버터 제어기법도 여러가지가 연구되기도 했습니다. Clarke변환도 6상에 맞춰서 변환되어야 했고, 그 결과로 제어자유도가 좀 더 증가하기도 했죠. 더 자세히는 논문을 찾아보시기를 권해드립니다.
사실은 이것 말고도 조금 더 바뀌는 점들이 있지만 여기까지만 포스팅하겠습니다.
읽어주셔서 감사합니다.
'전기공학' 카테고리의 다른 글
| IGBT 게이트 드라이버 회로 - TLP250 옵토커플러 (3) | 2021.01.03 |
|---|---|
| 모터의 극 수에 따른 장점과 단점. (0) | 2020.12.25 |
| DQ변환은 두번 이루어진다. Park변환 편 (5) | 2020.11.14 |
| 전력전자 회로에 쓸만한 고 전압센서 회로 예제(feat. AMC1301) (0) | 2020.11.14 |
| 전기전자에서 말하는 DC 오프셋 Offset 은 무슨 의미일까? (0) | 2020.11.14 |