이 글은 전기, 전자공학과 3학년 공린이의 수준에서 읽을 수 있도록 쓰여졌습니다.
이 글을 읽으실 때는 도중에 이해가 안되어도 쭉쭉 읽어보시길 권장드립니다.
오늘 다뤄볼 내용은 전력 스위치로 사용되는 세가지 주요 소자 BJT, MOSFET, IGBT 중에 BJT 용 게이트 드라이버 입니다.
예제로 다룰 내용은 한기대 전기과 3학년 전력전자 과목에서 다루는 BJT Bipolar Junction Transistor 스위치의 게이트 드라이버 제작 실습입니다. 사실 이거 하나만 읽으면 과제 끝난다.

게이트 드라이버가 '무엇'이며 '왜 필요'하고 '어디'에 쓰는 지를 모르신다면 아래 링크를 타고 슬쩍보고 오세요.
BJT 같은 경우엔 전류 구동이기 때문에 게이트 드라이버의 역할도 단순히 전압만 증폭하는 것이 아닌 전류를 증폭해서
한 방에 턴온이 '빡'하고 되고, 턴오프도 '빡'하고 되도록 푸시풀 회로를 써줘야 합니다. 푸시풀 회로는 작은 BJT 들을 사용해서 전류를 증폭시켜 주거든요.
푸시풀 회로도 종류가 여러가지 있는데 자세한 내용은 2학년 2학기에 배우는 전자회로 책의 기말고사 부분쯤에 있습니다. 있다가 예제에도 나올테니까 그것만 봐도 괜찮습니다.
일단 이번에 구동시킬(=드라이빙 driving 시킬) 스위치는 승압 쵸퍼(Chopper)의 BJT 입니다. 승압 쵸퍼라는 건, 흔히 DC/DC 컨버터 중에 출력 전압을 입력 보다 높여주는 부스트 컨버터 Boost converter의 동음 이의어라고 보면 됩니다. 사실 승압 쵸퍼들 중의 한 종류가 부스트 컨버터죠.

그런데 쵸퍼Chopper는 무슨 뜻이냐면, 쵸퍼 Chopper의 Chop이 중식칼 같은 걸로 챱챱 자른다는 뜻이잖아요? 그런데 PWM으로 구형파를 만들어서 턴온 턴오프를 시키면 파형이 마치 칼로 빠르게 챱챱 써는 것 같다고 해서 PWM으로 구동되는 전력전자 장치를 대충 통틀어서 Chopper라고 해요. 솔직히 너무 통틀어서 부르는 말이라서 세세하게 구분이 안되니 전문가들 사이에선 쵸퍼라고는 잘 안부른답니다.

위의 그림이 부스트 컨버터의 회로도인데, 이렇게 간략하게 나타낸 전력전자 회로들은 대부분 게이트 드라이버를 생략해서 나타낸다. BJT의 베이스 쪽에 연결된 연두색 박스 안에 게이트 드라이버와 전압을 일정하게 유지해주기 위한 제어기 등이 들어가 있을텐데, 뭉뚱그려서 표현해놓았다.
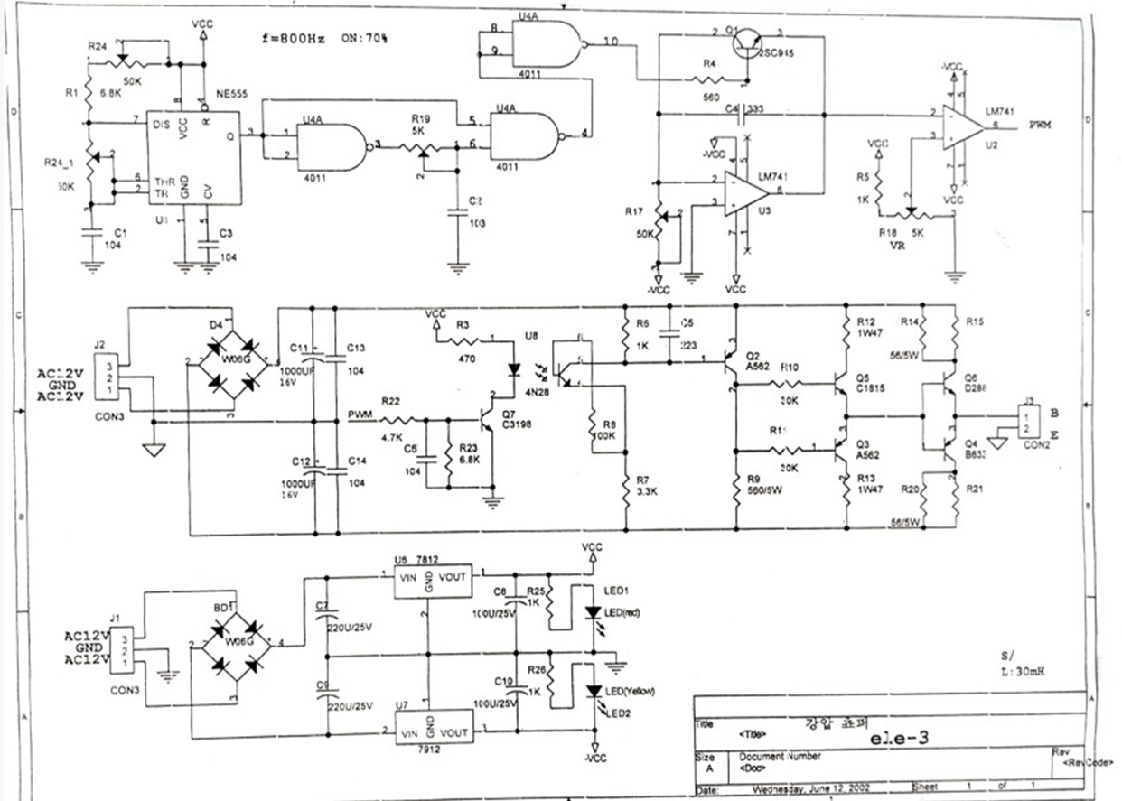
저 연두색 박스에 있어야 할 회로가 우리가 전력전자 시간대에 받은 이 회로다.

회로를 해석하려면 뭉텅이 뭉텅이 별로 기능을 예상해야 한다.
1. NE 555 타이머 회로

우선 NE 555 라는 소자랑 주변에 캐패시터랑 가변저항이랑 뭐 이런저런 것들이 붙어있다. NE 555는 555타이머라는 굉장히 유명하고 많이 쓰는 IC소자 중 하나인데, 비안정 멀티 바이브레이터라는 종류의 회로가 탑재된 IC이다.
말이 좀 어렵지만 비안정 멀티 바이브레이터는 일정한 DC전압이랑 주변에 캐패시터, 저항 적절히 배치해주면 계속해서 구형파(사각파) 펄스가 나오는 발진기 Oscilliator 를 말한다. 발진기는 진동하는 펄스를 발생시키는 장치(회로)를 말한다.
그래서 이 회로의 목적은 우선 끊임없이 구형파 신호가 쏟아져 나오게 하는 것이다. 이 구형파 신호의 주파수랑 듀티비는 가변저항 2개를 돌려보면서 확인하고 적당히 수kHz 정도로 맞추면 된다. 듀티비는 0.5(50%) 언저리만 되면 된다. 이 듀티비로 BJT 스위치를 턴온 턴오프 할 것이 아니기 때문에 듀티비는 적당히 맞추면 된다.
2. NAND 게이트 회로

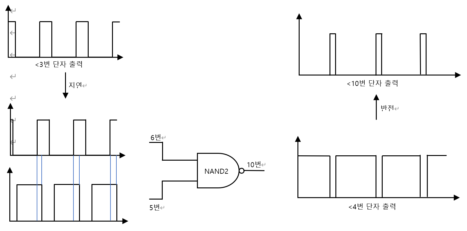
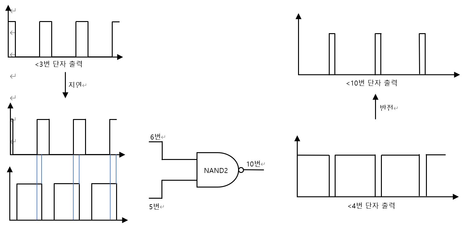
NE 555 회로로 만들어낸 구형파 출력 전압을 위처럼 NAND 게이트로 이루어진 논리회로에다가 넣어주면 임펄스 신호가 나타나게 된다. 그 과정을 하나하나 봐야한다. 게이트 하나를 지날 때마다 파형이 어떻게 바뀌는 지를 자세히 보면 이렇다.

U4 게이트의 1, 2번 단자는 묶여서 같은 전압이다. NAND게이트는 저렇게 묶어서 입력을 넣으면 그 입력이 그대로 반전되서 출력으로 나타난다. 잘 모르겠으면 옆의 진리표를 한번 보라 A, B입력이 같은 경우인 00과 11은 둘다 1과 0으로 반전된다. 그래서 첫번째 게이트의 목적은 555 타이머의 출력을 그저 반전시키는 것이다.
그런데 첫번째 게이트의 반전된 출력이 가변저항이랑 캐패시터로 이루어진 RC 회로를 지나간다. 왜 여기다가 이런 걸 넣어놓은 걸까? 이건 파형을 살짝 지연시킬려고 추가한 회로다. 왜 파형을 살짝 지연시킬까? 최종 목적은 임펄스 Impulse 파형이란 것을 만들기 위한 것인데, 우선 아래를 보자.

위 그림의 6번 단자에는 RC 회로를 지나서 살짝 지연된 파형이 들어가고 (3번 단자출력의 파형보다 약간 왼쪽으로 밀려있다), 5번 단자에는 555타이머의 출력이 그대로 들어간다.
이제 파형이 두개 있으니 출력을 예상해보면 오른쪽 10번 단자 옆에 그려놓은 파형과 같다. NAND게이트는 입력이 둘 다 1인 경우에만 0이기 때문에 입력 파형들의 그림에 파란색 선으로 표시된 구간만 0이고 나머지는 항상 1 상태를 유지한다.
이제 다시 NAND3을 통과해서 첫번째 게이트에서 했던 것처럼 반전을 시키면 아주 좁은 폭의 임펄스 파형이 만들어진다. 임펄스 파형이란 건, 신호처리이론에서 사용되는 수학적 개념이다.
폭은 0에 수렴하고 높이는 무한히 높아서 파형의 면적이 1인 신호 종류인데, 대충 파형이 어떻게 생겼는지를 묘사할 때는 단순히 폭이 좁은 파형을 임펄스 파형이라고도 한다. 저렇게 파형이 임펄스에 가까운데다가 일정 간격으로 줄지어서 주기적으로 계속 나타나면 임펄스 트레인 Impulse Train 또는 펄스 트레인 Pulse Train이라고 한다.
3. 삼각파 및 PWM 출력 회로
이제 논리회로에서 나온 임펄스를 활용할 차례다.

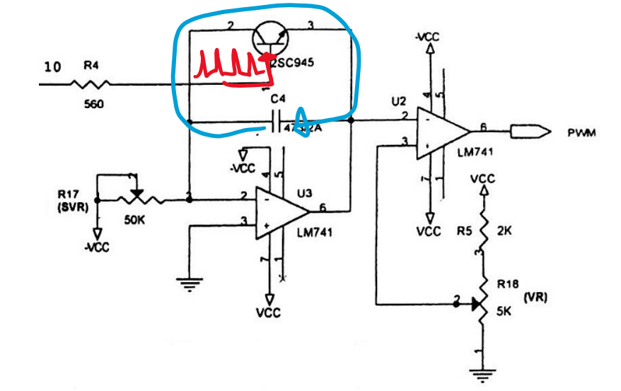
만들어진 임펄스 신호는 먼저 2SC945 라는 조그만 BJT의 베이스로 이어진다. 간단히 생각하면 임펄스가 베이스에 들어갈 때마다 저 BJT 스위치는 턴온이 될 거라고 볼 수 있다.
그런데 그 바로 밑에 캐패시터를 포함한 OPAMP 회로를 보자. 이건 적분기 회로다. 즉, OPAMP회로의 출력 전압이 일정하게 선형적으로 서서히 오르는 회로다.
여기서 전압이 오르는 중에 턴온이 되면 바로 밑에 있는 캐패시터 C4에 저장된 전하가 BJT를 타고 그 잠깐 사이에 쌩쌩 돈다. 그러면 캐패시터에 축적된 전압이 다시 0으로 뚝떨어지고 U3 OPAMP의 출력 전압은 다시 0으로 뚝 떨어지게 된다. 이게 반복되면 아래처럼 삼각파가 된다.


이 삼각파가 마지막인 2번째 OPAMP의 +단자에 들어간다. 이 OPAMP 회로는 단순하게 비교기 역할을 한다.
음 그러니까 +단자로 들어오는 전압에서 -단자로 들어오는 전압 값을 뺐을 때, 0보다 크면 +Vcc을 출력하고 0보다 작으면 -Vcc를 출력한다는 뜻이다. 아주 단순하다.
지금 +단자에는 삼각파가 들어오고 -단자에는 가변저항으로 조정되는 DC 전압이 들어온다. 그러면 비교하면 아래 파형처럼 나온다.

이제 가변저항 값만 바꿔주면서 기준전압을 오르락 내리락 해주면 비교기의 출력이 듀티비를 바꿀 수 있는 PWM신호로 나오게 된다.
오늘은 제어회로 까지만 보고 내일 Isolation 하고 푸시풀 증폭회로에 대해서 설명할게요.
'전기공학' 카테고리의 다른 글
| 권선계수 계산법 + 매트랩 코드 & 파이썬 코드 (3) | 2020.11.08 |
|---|---|
| 전동기의 권선 배치법 using 'Star of slots' (feat. 매트랩 코드) (0) | 2020.11.08 |
| Isolation의 종류 - 변압기, 포토 커플러, 부트 스트랩 (0) | 2020.11.05 |
| BJT용 게이트 드라이버 (feat. 한기대 전력전자 실습) -2편 (0) | 2020.11.04 |
| DQ변환. 그래 공식은 알겠는데 이게 무슨 의미야? + clarke 변환 (11) | 2020.10.07 |