Isolation은 전력전자 회로의 주전력 회로나 게이트 드라이버, 센서, 측정장비 등등에서 많이 사용된다.
Isolation이 무엇이고 왜 사용하며 흔히 쓰이는 절연 Insulation이라는 단어와 무엇이 다른지 간단히 보자.
Isolation의 사전적 의미는 분리 ,고립이다. 즉, 전기공학에서는 전기적으로 분리한다는 의미이다.
단, Insulation과는 다르다.
에너지나 정보를 다른 회로로 전달을 해야하는데, 전기적으로 연결은 피해야할 때 Isolation이 필요하다고 한다.
전기적으로 잠시 분리해서 빛이나 자계magnetic field 에너지, 전계electric field 에너지를 통해서 정보나 에너지를 전달하는 것이다.
우선 Isolation이 필요한 상황에 대해서 이해해보자.
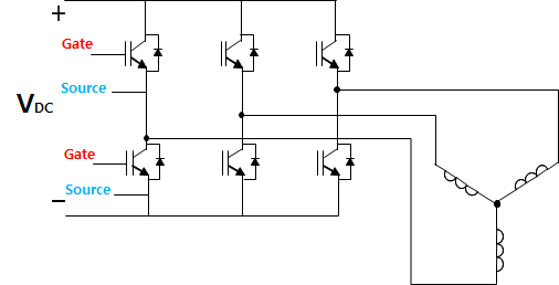
3상 인버터의 예시를 갖고왔습니다. (+ Half 브릿지 하나를 Leg라고 부름)

하나의 브릿지에는 2개의 스위치가 있고, 각각을 게이트 드라이버로 턴온 턴오프 시켜야한다.
그럴려면 게이트 드라이버의 출력을 각 스위치의 게이트 Gate와 소스 Source에 전달해줘야 한다.
(게이트와 소스 사이의 전압이 턴온시에는 +15V정도, 턴오프시에는 -7V정도가 공급되어야 한다)
브릿지의 위쪽 스위치를 High Side, 아래쪽 스위치를 Low Side라고 하자.(실제로 영어로는 이런 명칭이다)
만약 아래 그림처럼 High Side 스위치의 게이트 드라이버와 Low Side의 게이트 드라이버가 같은 전원을 공유하면
High Side의 소스와 Low Side의 소스가 쇼트된다. 즉, 같은 전위 = 같은 전기적 지점이 된다.

말이 좀 어렵죠.
다르게 표현하자면 High side 스위치의 소스와 Low Side 스위치의 소스는 서로 다른 전기적 위치여야 하는데,
만약 게이트 드라이버 출력이 같은 전원에서 나오는 출력이어서 GND를 공유하면 위쪽 소스와 아래쪽 소스의 전위가 같아져 버릴 수 있다는 뜻입니다.
예시로 위 그림에서는 ATmega128이나 STM32 또는 TI DSP 등등의 MCU: Micro Control Unit에서 PWM 신호를 2개를 출력합니다. 2개의 스위치를 제어하기 위해서 말이죠. 두 신호는 1일때 3.3V가 출력되고 0일 때 0V가 출력된다고 합니다.
그런데 3.3V라는게 MCU의 GND를 기준으로 3.3V라는거죠. 그러면 위쪽 소스와 아래쪽 소스가 똑같은 접지에 물려버려서 출력 파형이 예상치 못한 모습으로 이상해집니다. 전압이 너무 약한 것도 문제고요.

이걸 피할려면 게이트 드라이버의 최종 출력에 펄스 트랜스포머(엄지손가락 한마디 만한 크기)를 사용하거나,
중간 쯤에 포토 커플러로 광절연을 해서 먼저 듀티비만 전달한 뒤에 약해진 신호를 증폭시켜야 합니다.

펄스트랜스포머를 사용하는 방법의 예시를 그려봤습니다. 변압기를 거치면 전기적으로는 연결된 지점이 하나도 없죠?
대신 변압기의 2차측 단자 양단에 기존의 1차측 회로랑은 전기적인 접점이 전혀 없는 완전 별개의 전위차만 발생하죠.
자기적으로만 연결되어 있죠. 이것이 자계를 이용한 전기적 Isolation입니다. 저기에 변압기 대신 포토 커플러랑 푸시풀 회로를 넣어도 되죠. 실제로는 15V쪽에 BJT 증폭기 같은걸 달아서 출력을 늘려줘야 합니다.
포토 커플러 쓰는 건 BJT 게이트 드라이버 회로 해설글에 자세히 예시가 있어요.
BJT용 게이트 드라이버 (feat. 한기대 전력전자 실습) -2편
저번 글에 이어서 1. Isolation을 위한 포토 커플러 Photo Coupler(또는 Optocoupler) 이전 글에서 555 타이머와 NAND게이트들, 적분기와 비교기를 이용해서 가변저항으로 PWM 듀티비를 조작가능한 수동제어
nowrang.tistory.com
요새 많이 쓰는 방식은 게이트 드라이버 전용 IC와 부트 스트랩 Bootstrap 커패시터 회로를 사용하는 방식입니다.
Bootstrap이라는 단어가 생소합니다. 영문사전의 정의로는 동사일 때,
현존하는 자원을 사용해서 어떤 것을 어떤 상황에 돌입하거나 빠져나오게 한다. 라는 뜻입니다.
get (oneself or something) into or out of a situation using existing resources.
즉 부트스트랩 커패시터라는 커패시터에 충전된 전하를 사용해서 턴온 상태에 돌입하게하거나 턴오프 상태로 빠져나오게 한다는 의미로 볼 수 있어요.

또 당연히 예시를 가져왔습니다.
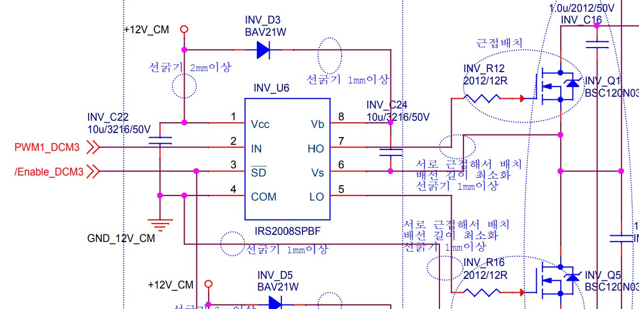
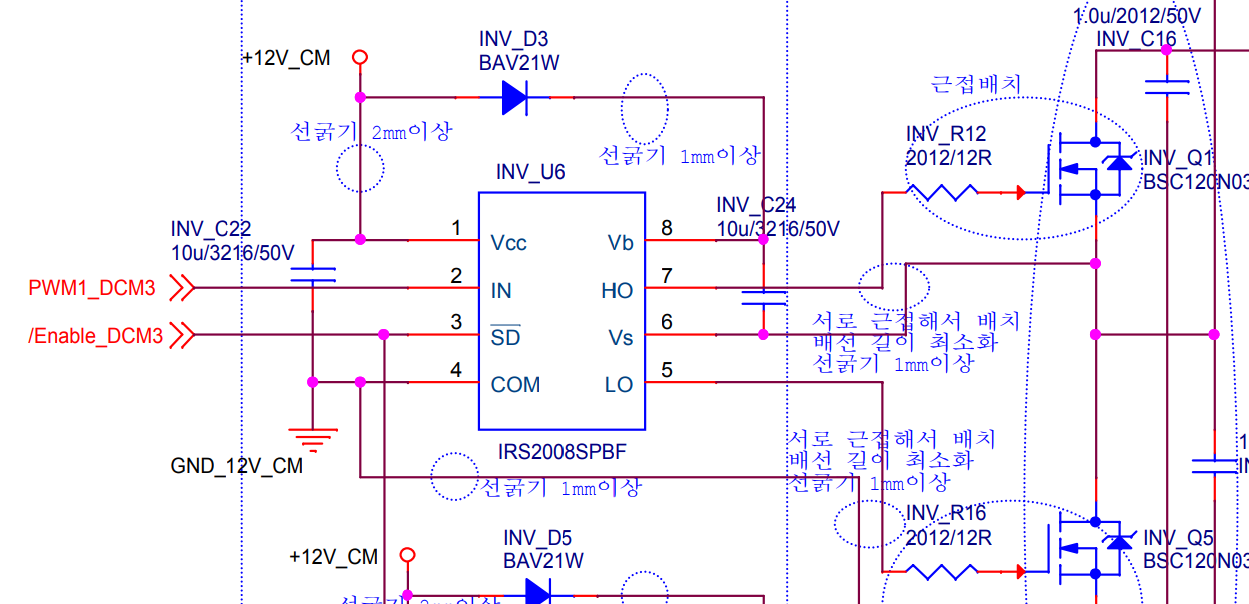
IRS2008이라는 부트스트랩 게이트 드라이버를 위한 IC를 사용한 회로입니다.
지금 회로는 비교적 소용량 전력스위치를 위한 회로인데, 대용량으로 가도 몇가지가 추가될 뿐 회로 방식은 비슷합니다.
이 IC 하나로 Leg 하나, 즉, 스위치 2개를 구동할 수 있습니다.
동작원리는 간단합니다. 턴오프 주기동안 INV_D3 다이오드를 통해서 INV_C24 커패시터가 충전됩니다.
그리고 턴온주기동안에는 커패시터에 충전되었던 전하가 IC의 Vb(bias Volt)단자를 통해 흘러들어가서 HO(Highside Output)단자를 통해서 MOSFET의 Gate로 들어가게 됩니다. LO도 마찬가지로 작동합니다.
여기서 상황에 따라 튜닝할 소자는 2가지 인데, 하나는 INV_C24 부트스트랩 커패시터의 용량이고, 또 하나는 게이트 쪽에 연결된 저항 INV_R12입니다.
저항의 경우엔 12~15옴 미만으로 해주면 됩니다. 굳이 저항을 다는 이유는 게이트 쪽에 과전류가 흘러서 스위치에 발열이 발생하는 것을 방지하기 위함이고요. 커패시터는 온 듀티동안 충분히 전압을 유지해줄 수 있을 만큼 적절한 용량이 필요합니다.
'전기공학' 카테고리의 다른 글
| 권선계수 계산법 + 매트랩 코드 & 파이썬 코드 (3) | 2020.11.08 |
|---|---|
| 전동기의 권선 배치법 using 'Star of slots' (feat. 매트랩 코드) (0) | 2020.11.08 |
| BJT용 게이트 드라이버 (feat. 한기대 전력전자 실습) -2편 (0) | 2020.11.04 |
| BJT용 게이트 드라이버 (feat. 한기대 전력전자 실습) -1편 (0) | 2020.10.27 |
| DQ변환. 그래 공식은 알겠는데 이게 무슨 의미야? + clarke 변환 (11) | 2020.10.07 |